ilmastointi
ilmastointi
-97 900satasen automaatti ilmastointi ei saa releele maadotusta, suoralla virralla kompura pyörii ja tulee kylmää, mistähän kautta toi maa tonne kelalle kulkee. Painekatkasialle ei myöskään tuu mihinkään niistä neljästä piuhasta minkään laista jännitettä pitäskö tulla kun liitin on irti yhteen kun laittaa koekynän nii flekti pyörähtää
Re: ilmastointi
Taitaa olla näistä jotain tietävät kesälomalla
Re: ilmastointi
En tiedä onko painekytkin maa- vai plus- ohjattu.
Itse tuossa tilanteessa sen enempää tietämättä veisin auton ilmastointihuoltoon, se kun ei paljoa maksa.
Itse tuossa tilanteessa sen enempää tietämättä veisin auton ilmastointihuoltoon, se kun ei paljoa maksa.
Re: ilmastointi
Niin kun en tiedä tuleeko releelle maadoitus painekytkimen kautta.
Omissa autoissa ilmastoinnin ongelmat on johtuneet liian vähistä kylmäaineista kun painekytkin ei anna lupaa pyörittää kompressoria.
Omissa autoissa ilmastoinnin ongelmat on johtuneet liian vähistä kylmäaineista kun painekytkin ei anna lupaa pyörittää kompressoria.
Re: ilmastointi
Sitä epäili asentajakin, laitettiin uudet aineet niin suoralla releen maadotuksella puhalti kylmää. tosta painekytkimen vaihdosta kai on alotettava. Täytyy tutkia toi releen maapiuha onko se ehjä ja minne se menee.
Re: ilmastointi
Uusikaan painekytkin ei voi toimia, jos johdotuksessa on katkos. Mittaa siis ensin johdot. Sieltä se vika varmaankin löytyy.
Techillä tutkimalla saattaisi myös hyvin päästä vian jäljille.
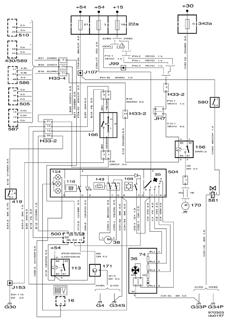
EDIT: onkohan ACC:n tapauksessa painekytkimen ja kompressorin osalta kytkentä samanlainen kuin manuaalisessa ilmastoinnissa:

Techillä tutkimalla saattaisi myös hyvin päästä vian jäljille.
EDIT: onkohan ACC:n tapauksessa painekytkimen ja kompressorin osalta kytkentä samanlainen kuin manuaalisessa ilmastoinnissa:

Re: ilmastointi
Kiitos kuvasta yritän tutkia tota ajan kanssa.